频率变化范围为3个量级(10Hz-10KHz)压控振荡器

相关热词:
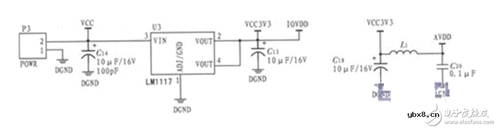
AVR单片机语音识别电路模块设计
时间:2026-03-07
采用AP70032单片机语音识别电路设计
时间:2026-03-07
一起来学习升压型(Boost or Step-up)开关...
时间:2026-03-07
载誉而归!Vishay四象限硅PIN光电二极管荣获...
时间:2026-03-07
采用CMX638的语音通信模块电路设计
时间:2026-03-07
借力电力线通信的温度采集系统电路设计
时间:2026-03-07
双向通信测试测量电路模块设计 —电路图天天...
时间:2026-03-07
揭秘DSP和HMM的语音识别系统电路模块设计
时间:2026-03-07
直流电机调速与测速电路模块设计
时间:2026-03-07
利用NI虚拟仪器构建的电机监控系统电路设计
时间:2026-03-07
彩灯电路
时间:2026-03-05
三相异步电动机原理
时间:2026-03-04
三相异步电动机的七种调速方式
时间:2026-03-04
转角测量电路
时间:2026-03-05
经典的正弦波发生电路
时间:2026-03-05
电动机单线远程正反转控制电路图
时间:2026-03-04
USB转232电路图
时间:2026-03-04
电度表的工作原理
时间:2026-03-04
电风扇红外遥控器2
时间:2026-03-04
三相异步电动机的拆装详讲
时间:2026-03-04