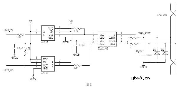
CAN总线通信硬件原理图(采用TJA1050T CAN总线驱动器)
F040中内置CAN总线协议控制器,只要外接总线驱动芯片和适当的抗干扰电路就可以很方便地建立一个CAN总线智能测控节点。本设计中采用PHILIP公司的TJA1050T CAN总线驱动器。
CAN总线通信硬件原理图如图3所示。

TJA1050T的8脚连接到F040的一个端口用于模式选择,TJA1050T有两种工作模式用于选择,高速模式和静音模式。TJA1050T正常工作在高速模式,而在静音模式下,TJA1050T的发送器被禁能,执行只听功能,可用于防止由于CAN控制器失控而造成的网络阻塞。
相关热词:#CAN总线
几乎不耗电的遥控门铃设计
时间:2026-03-07
实用的自动延时照明开关电路
时间:2026-03-07
遥控收发器控制数码管显示的实验
时间:2026-03-07
采用电容降压的 LED 驱动电路图
时间:2026-03-07
6串LED恒流控制原理图
时间:2026-03-07
简单实用的电梯停电报警电路
时间:2026-03-07
不同凡响的胆管放大器设计
时间:2026-03-07
短路断路功能的电桥式语音报警器
时间:2026-03-07
两段声音全自动语音复制电路的设计
时间:2026-03-07
超声波发射电路图
时间:2026-03-07
彩灯电路
时间:2026-03-05
三相异步电动机原理
时间:2026-03-04
三相异步电动机的七种调速方式
时间:2026-03-04
转角测量电路
时间:2026-03-05
经典的正弦波发生电路
时间:2026-03-05
电动机单线远程正反转控制电路图
时间:2026-03-04
USB转232电路图
时间:2026-03-04
电度表的工作原理
时间:2026-03-04
电风扇红外遥控器2
时间:2026-03-04
三相异步电动机的拆装详讲
时间:2026-03-04