固态继电器电路

R1限制输入电流,Q1起到保护IC1的作用,D1为极性保护器,IC1提供一个三端双向可控硅开关元件的输出去触发主三端双向可控硅开关元件TR1.
相关热词:
光电二极管脉冲录入原理电路
时间:2026-03-07
基于DTL的继电器隔离电路原理图
时间:2026-03-07
基于555的眼睛疲劳消除器原理图
时间:2026-03-07
电容式位移发送器原理电路
时间:2026-03-07
555组成的自动水位控制电路
时间:2026-03-07
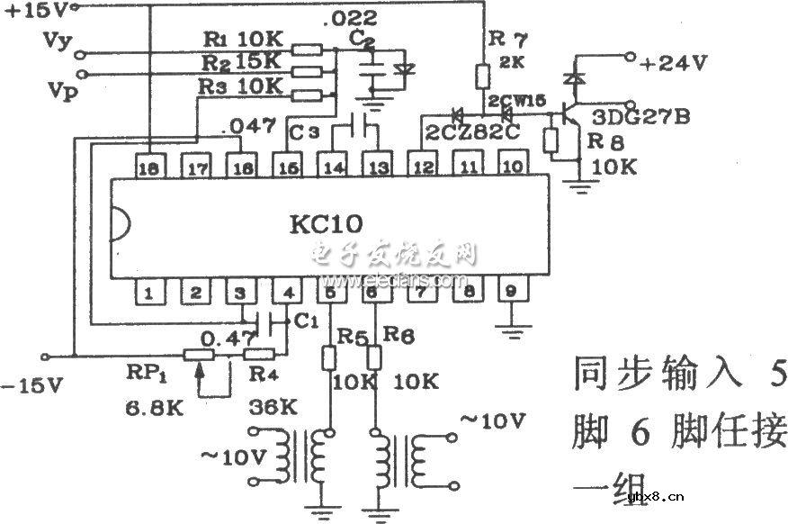
可控硅移相触发器KC10应用原理图
时间:2026-03-07
基于双向可控硅的延时可控关断电路
时间:2026-03-07
基于TC787的三相两重桥有源逆变电路
时间:2026-03-07
四通道电子开关音频混频器原理图
时间:2026-03-07
71M6543F/71M6543H智能电表原理图
时间:2026-03-07
彩灯电路
时间:2026-03-05
三相异步电动机原理
时间:2026-03-04
三相异步电动机的七种调速方式
时间:2026-03-04
转角测量电路
时间:2026-03-05
经典的正弦波发生电路
时间:2026-03-05
电动机单线远程正反转控制电路图
时间:2026-03-04
USB转232电路图
时间:2026-03-04
电度表的工作原理
时间:2026-03-04
电风扇红外遥控器2
时间:2026-03-04
三相异步电动机的拆装详讲
时间:2026-03-04