1、速率不同
千兆交换机最大支持1000Mbps,万兆交换最大支持100G,因此万兆交换机的传输速率比千兆交换机的传输速率更快。
2、功耗不同
万兆交换机的功耗比千兆交换机的功耗更大,所以在节能方面,千兆交换机会更为出色。
3、功能不同
千兆交换机一般有两层,万兆交换机一般有两层或三层,所以万兆交换机将二层的简单、灵活性与三层的稳定、可扩展和高性能有机融合起来。万兆交换机作为千兆交换机的升级版,因此万兆交换机比千兆交换机的功能要更加完善。
4、背板带宽和包转发率不同
万兆交换机的背板带宽和包转发率都比千兆交换机要高,因此更能胜任大型组网需求,核心层一般都使用万兆交换机。
万兆交换机的出现彻底实现了私有网络到大众网络的融合,并且其能够提供在一秒钟超过10个G的吞吐量,这是传统的交换机所不能做到的。作为兼容于以往的最新以太网技术,万兆以太网不仅仅是以太网的“高速翻版”,万兆以太网第一次提出了万兆广域以太网技术,第一次实现了私有网络到公众网络的融合。
千兆交换机是指上联和下联口都是千兆口的交换机,也可理解为交换机端口支持1000M或10/100/1000M传输。很多人在寻找更快速的局域网连接技术,使用千兆以太网或者更快的万兆技术。这样的变化不仅仅是发生在园区网的骨干,也同样发生在每一个配线间中,企业的IT管理人员希望能为每一个桌面用户提供10倍于以前的网络连接。
基于单片机的广告灯的左右移动电路图
时间:2026-03-07
基于C51单片机的多路开关状态显示电路原理图
时间:2026-03-07
基于C51单片机的报警产生器电路原理图
时间:2026-03-07
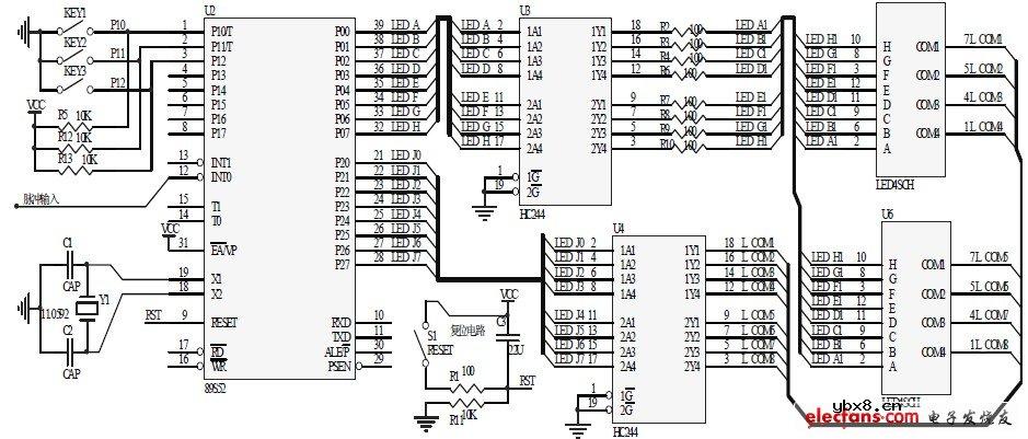
基于C51单片机的I/O并行口直接驱动LED显示电...
时间:2026-03-07
基于MCS-51单片机的定时报警器电路原理图
时间:2026-03-07
基于C51单片机的按键识别原理图
时间:2026-03-07
基于C51单片机的计时器设计原理图
时间:2026-03-07
基于C51单片机的手动计数器设计电路图
时间:2026-03-07
一键多功能按键识别技术原理图
时间:2026-03-07
出租车计价器硬件原理图
时间:2026-03-07
什么是追踪缓存/转接卡?
时间:2026-03-06
瞬间抑制二极管(TVS)/瞬间抑制二极管(TVS)是...
时间:2026-03-04
什么是EPIC
时间:2026-03-06
什么是联合并行处理二级缓存?
时间:2026-03-06
什么是Speculative execution/SQRT?
时间:2026-03-06
什么是霍尔传感器
时间:2026-03-05
双向二极管起什么作用?
时间:2026-03-04
半导体材料的主要种类有哪些?
时间:2026-03-04
高级封装,高级封装是什么意思
时间:2026-03-04
数字比较器,数字比较器是什么意思
时间:2026-03-04