当前位置:首页 > 电工基础 > 正文

好运来电子转盘游戏机电路图

来源:网络  发布者:电工基础  发布时间:2026-03-06 14:51
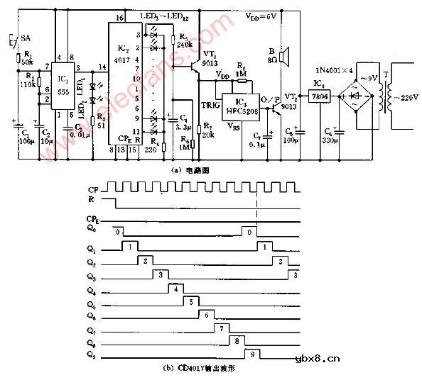
好运来电子转盘游戏机电路图

好运来电子转盘游戏机电路图

好运来电子转盘游戏机电路图

相关热词:#电路图

最新文章
齐纳二极管的工作原理齐纳二极管的工作原理

时间:2026-03-06

MUR860为高速整流二级管MUR860为高速整流二级管

时间:2026-03-06

双向触发二极管双向触发二极管

时间:2026-03-06

单结晶体管(双基极二极管)原理单结晶体管(双基极二极管)原理

时间:2026-03-06

半导体的导电性半导体的导电性

时间:2026-03-06

PN结的构成PN结的构成

时间:2026-03-06

半导体二极管的分类半导体二极管的分类

时间:2026-03-06

半导体二极管的型号命名方法半导体二极管的型号命名方法

时间:2026-03-06

检波二极管的结构及特性检波二极管的结构及特性

时间:2026-03-06

锗检波二极管的特性参数锗检波二极管的特性参数

时间:2026-03-06

热门文章
彩灯电路彩灯电路

时间:2026-03-05

三相异步电动机原理三相异步电动机原理

时间:2026-03-04

转角测量电路转角测量电路

时间:2026-03-05

经典的正弦波发生电路经典的正弦波发生电路

时间:2026-03-05

电度表的工作原理电度表的工作原理

时间:2026-03-04

电动机单线远程正反转控制电路图电动机单线远程正反转控制电路图

时间:2026-03-04

三相异步电动机的拆装详讲三相异步电动机的拆装详讲

时间:2026-03-04

三相异步电动机的七种调速方式三相异步电动机的七种调速方式

时间:2026-03-04

USB转232电路图USB转232电路图

时间:2026-03-04

线性可调差动变压器测量计电路图线性可调差动变压器测量计电路图

时间:2026-03-05