笔者将多年来常用的单表测光电耦合器的方法介绍给大家。此法仅用一只500型万用表便可直接测出光耦好坏。实为方便之举。 具体测试方法仍以彩电中常用的PC817为例,其内电路如图l所示,基本检测过程如下:
用Rxlk挡测①、②脚内二极管是否完好,再测③、④端正反向电阻应为开路状态∞(R×lk挡表内电池仅1.5V);再用R×10k挡测①、②端正向电阻,阻值较小,而反向电阻应为无穷大。用黑表针接④脚,红表针接③脚时应为无穷大的电阻,相反方向测量时,随③、④脚内三极管两极ce的稳压特性有别,一般表中指针会动,与普通小功率硅三极管ce间稳压特性相似。不能千篇一律,但可参考。
经过以上初测后,就可进入实际测试,见图2,用500型表Rxl挡,红表针接②脚,黑表针(黑测试笔,上同)接①脚。此时表中有一阻值显示,然后将两表针尖向③、④端靠拢并接触良好,使③、④脚导通电阻与①、②脚导通电阻并联,表中电阻值会减小,否则光耦损坏。如表中电阻变化不多,即③、④脚导通内阻较大,应慎用或不用。此外还可以用RxlO挡,但Rxl00挡和Rxlk两挡不宜作此项测量,因其提供给光耦内二极管的电流太小,③、④脚导通电阻很大,在表中反应甚微。附表是笔者对两只817光耦用500-4型表Rx1、Rxl0挡所测数据,供读者实践中参考(万用表及光耦产地不同,略有差异)。

欢迎转载,本文来自电子发烧友网(http://www.elecfans.com/)
ISD4004应用电路及程序
时间:2026-03-07
基于NE555的低功率直流四倍压电路图
时间:2026-03-07
微功率发射机用场强仪电路
时间:2026-03-07
基于CCD4011的放射线检测仪电路
时间:2026-03-07
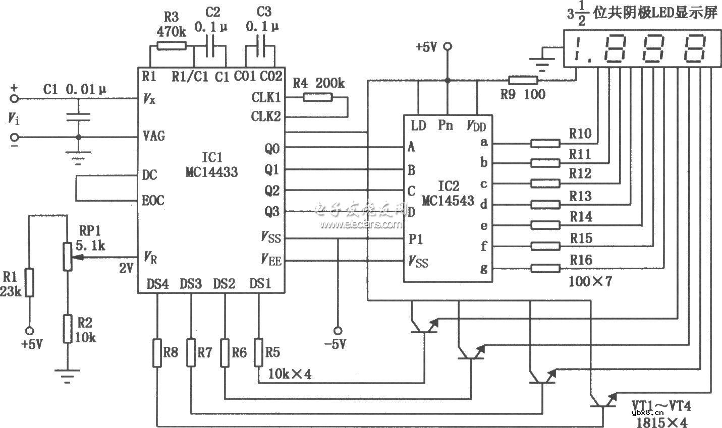
基于MMC14433/MMC14543的数字式直流毫伏表电...
时间:2026-03-07
基于CCIC2851的音乐催眠器原理图
时间:2026-03-07
基于33CX201的可控硅快速测试仪电路图
时间:2026-03-07
二极管、三极管在线快速测试器电路
时间:2026-03-07
基于CD4069的电容鉴别仪电路
时间:2026-03-07
555构成的单稳态触发器的四种电路
时间:2026-03-07
玻璃釉电容器的结构与特点
时间:2026-03-05
电容器入门教程
时间:2026-03-05
关于STM32WL LSE 添加反馈电阻后无法起振的...
时间:2026-03-05
暑期买元器件下单立减还送华为P30pro
时间:2026-03-05
电阻的标称阻值和允许偏差
时间:2026-03-05
使用过滤器电容器和诱导器来抑制受辐射的EM...
时间:2026-03-05
LED固晶机龙头直面“寒冬”
时间:2026-03-05
浅谈高压贴片电容分类与性能参数
时间:2026-03-05
聚四氟乙烯电容器的结构与特点
时间:2026-03-05
漆膜电容器的结构与特点
时间:2026-03-05