当前位置:首页 > 工控原理 > 正文

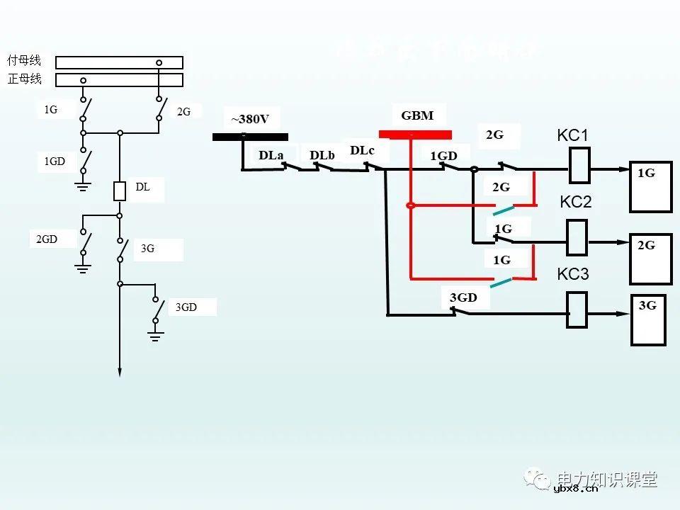
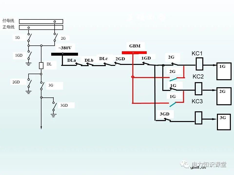
隔离开关基本介绍:控制回路及五防装置

来源:网络  发布者:电工基础  发布时间:2026-03-06 11:43
1.隔离开关与断路器串联时,分合回路时的操作顺序是什么?(停电、送电) 2.隔离开关的主刀与接地刀在倒闸操作中的顺序是什么? (检修、送电)

1.隔离开关与断路器串联时,分合回路时的操作顺序是什么?(停电、送电)

2.隔离开关的主刀与接地刀在倒闸操作中的顺序是什么? (检修、送电)

3.当发生误拉、合隔离开关,发现触头间有电弧时应怎样做?

隔离开关基本介绍:控制回路及五防装置

隔离开关基本介绍:控制回路及五防装置

隔离开关基本介绍:控制回路及五防装置

隔离开关基本介绍:控制回路及五防装置

隔离开关基本介绍:控制回路及五防装置

隔离开关基本介绍:控制回路及五防装置

隔离开关基本介绍:控制回路及五防装置

隔离开关基本介绍:控制回路及五防装置

隔离开关基本介绍:控制回路及五防装置

隔离开关基本介绍:控制回路及五防装置

隔离开关基本介绍:控制回路及五防装置

隔离开关基本介绍:控制回路及五防装置

隔离开关基本介绍:控制回路及五防装置

隔离开关基本介绍:控制回路及五防装置

隔离开关基本介绍:控制回路及五防装置

隔离开关基本介绍:控制回路及五防装置

隔离开关基本介绍:控制回路及五防装置

隔离开关基本介绍:控制回路及五防装置

隔离开关基本介绍:控制回路及五防装置

隔离开关基本介绍:控制回路及五防装置

隔离开关基本介绍:控制回路及五防装置

隔离开关基本介绍:控制回路及五防装置

隔离开关基本介绍:控制回路及五防装置

隔离开关基本介绍:控制回路及五防装置

隔离开关基本介绍:控制回路及五防装置

隔离开关基本介绍:控制回路及五防装置

隔离开关基本介绍:控制回路及五防装置

隔离开关基本介绍:控制回路及五防装置

隔离开关基本介绍:控制回路及五防装置

隔离开关基本介绍:控制回路及五防装置

隔离开关基本介绍:控制回路及五防装置

隔离开关基本介绍:控制回路及五防装置

隔离开关基本介绍:控制回路及五防装置

隔离开关基本介绍:控制回路及五防装置

隔离开关基本介绍:控制回路及五防装置

隔离开关基本介绍:控制回路及五防装置

隔离开关基本介绍:控制回路及五防装置

隔离开关基本介绍:控制回路及五防装置

隔离开关基本介绍:控制回路及五防装置

隔离开关基本介绍:控制回路及五防装置

隔离开关基本介绍:控制回路及五防装置

隔离开关基本介绍:控制回路及五防装置

隔离开关基本介绍:控制回路及五防装置

隔离开关基本介绍:控制回路及五防装置

隔离开关基本介绍:控制回路及五防装置

隔离开关基本介绍:控制回路及五防装置

隔离开关基本介绍:控制回路及五防装置

隔离开关基本介绍:控制回路及五防装置

隔离开关基本介绍:控制回路及五防装置

隔离开关基本介绍:控制回路及五防装置

隔离开关基本介绍:控制回路及五防装置

隔离开关基本介绍:控制回路及五防装置

隔离开关基本介绍:控制回路及五防装置

隔离开关基本介绍:控制回路及五防装置

隔离开关基本介绍:控制回路及五防装置

隔离开关基本介绍:控制回路及五防装置

隔离开关基本介绍:控制回路及五防装置

隔离开关基本介绍:控制回路及五防装置

隔离开关基本介绍:控制回路及五防装置

隔离开关基本介绍:控制回路及五防装置

隔离开关基本介绍:控制回路及五防装置

隔离开关基本介绍:控制回路及五防装置

隔离开关基本介绍:控制回路及五防装置

隔离开关基本介绍:控制回路及五防装置

隔离开关基本介绍:控制回路及五防装置

隔离开关基本介绍:控制回路及五防装置

隔离开关基本介绍:控制回路及五防装置

隔离开关基本介绍:控制回路及五防装置

隔离开关基本介绍:控制回路及五防装置

隔离开关基本介绍:控制回路及五防装置

隔离开关基本介绍:控制回路及五防装置

隔离开关基本介绍:控制回路及五防装置

编辑:黄飞

相关热词:#智能电网