工字电感如何制作呢?

从以上可以看出第一步:买相关材料,工字形磁性,骨架,针脚(PIN脚),铜线等材料,第二步:接针脚也就是PIN脚,然后根据电感参数来绕铜线,绕线绕好了后,检测,检测好了后,焊锡,焊锡焊好了就可以套套管,再全部测试,外观检测,包装,这就是完整的工字电感制作步骤。
工字电感是我们在插件作业中会经常看见电子元器件中的一种;是由工字形磁芯骨架跟漆包铜线组成的电磁感应元件。主要是在工字电感的骨架外型,在槽内绕上线圈。线圈的二个头接到引脚上,镀上锡保证线圈的二个引脚焊接良好,外面再包上保护套管就形成了一个工字电感,简单来说就是在工字磁芯上,根据不同参数要求进行绕线圈,并有引出两个引脚,这样制成的电感叫做工字电感。
QN型气敏元件典型应用电路图
时间:2026-03-06
UL-264气敏传感器电路图
时间:2026-03-06
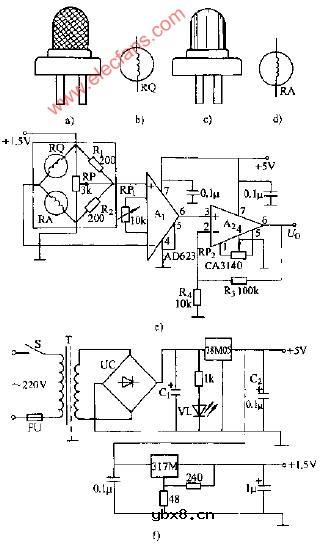
差分式可燃气体监测仪电路图
时间:2026-03-06
场效应晶体管气敏差分电路图
时间:2026-03-06
具有温度补偿的气敏蜂鸣器电路图
时间:2026-03-06
可燃气体泄漏报警电路图
时间:2026-03-06
可燃气体泄漏声响电路图
时间:2026-03-06
矿灯瓦斯报警电路图
时间:2026-03-06
廉价气敏报信电路图
时间:2026-03-06
气敏电铃电路图
时间:2026-03-06
玻璃釉电容器的结构与特点
时间:2026-03-05
关于STM32WL LSE 添加反馈电阻后无法起振的...
时间:2026-03-05
电阻的标称阻值和允许偏差
时间:2026-03-05
使用过滤器电容器和诱导器来抑制受辐射的EM...
时间:2026-03-05
瓷片电容的意义以及电容抗扰电路设计与分析
时间:2026-03-05
电容电感区别在哪里?特性差异是什么?可编...
时间:2026-03-05
浅谈高压贴片电容分类与性能参数
时间:2026-03-05
聚四氟乙烯电容器的结构与特点
时间:2026-03-05
漆膜电容器的结构与特点
时间:2026-03-05
复合介质电容器的结构与特点
时间:2026-03-05