超级电容器有正负极吗 超级电容怎么看正负极 超级电容正负极怎么分
超级电容器是一种特殊的电化学储能设备,它具有介于传统电容器和电池之间的特性。在结构上,超级电容器由两个电极和一个电解质组成,这两个电极通常是对称的,这意味着它们可以互换作为正极或负极使用。然而,在实际应用中,超级电容器的正负极区分仍然是一个重要的考虑因素,尤其是在与外部电路连接时。以下是对超级电容器正负极区分的详细分析。
超级电容器采用对称电极设计,即两个电极具有类似的结构和相似的材料特性。在首次装配时,每个电极都可以被视为正极或负极。然而,一旦超级电容器被首次充电,电极就会根据充放电的方向获得极性。在这种情况下,每个超级电容器的外壳上通常会有一个负极标志或标识,以指示正确的极性连接。
1.外观标识 :大多数超级电容器的外壳上会有明确的极性标识,如一个负号(-)标志,这表示该端为负极。如果没有明确的标识,可以通过查看数据手册或询问制造商来确定极性。
2.电极材料 :在某些超级电容器中,正负极的材料可能会有所不同。例如,正极可能使用某种特定的活性材料,而负极则使用另一种。通过了解电极材料的特性,可以帮助确定极性。
3.测量电压 :在未充电状态下,可以使用电压表测量两个电极之间的电压。通常,负极相对于正极会有微小的电压(通常在几十毫伏左右),这是因为超级电容器在制造过程中可能会有微小的自放电。
1.充放电效率 :正确连接正负极对于确保超级电容器的充放电效率至关重要。错误的极性连接可能导致充电效率低下,甚至损坏超级电容器。
2.安全操作 :超级电容器在过压或反向充电时可能会损坏,这可能导致安全风险。因此,正确识别和连接正负极是确保操作安全的关键。
3.系统兼容性 :在与外部电路(如电源、负载等)连接时,必须确保超级电容器的极性与电路设计相匹配,以避免性能下降或损坏。
超级电容器虽然采用对称电极设计,但在实际应用中,正确识别和连接正负极是非常重要的。通过观察外观标识、了解电极材料特性以及测量电压等方法,可以准确地确定超级电容器的极性。这不仅有助于提高充放电效率,还有助于确保操作的安全性和系统的兼容性。随着超级电容器技术的发展,未来可能会有更多创新的方法来简化极性的识别和连接过程,从而进一步提高其在各种应用中的便利性和可靠性。
基于双向可控硅的延时可控关断电路
时间:2026-03-07
基于TC787的三相两重桥有源逆变电路
时间:2026-03-07
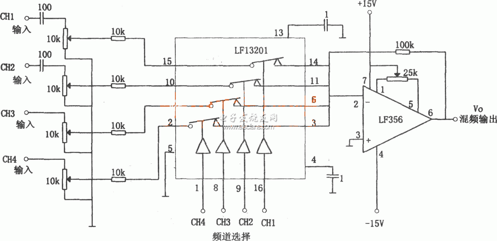
四通道电子开关音频混频器原理图
时间:2026-03-07
71M6543F/71M6543H智能电表原理图
时间:2026-03-07
盲人万用表指示器电路
时间:2026-03-07
固态继电器电路过压保护电路
时间:2026-03-07
惠斯顿电桥原理电路
时间:2026-03-07
TVS用于交流电路
时间:2026-03-07
基于EL7516的高电流白光LED驱动器设计
时间:2026-03-07
555构成电子蜡烛原理图
时间:2026-03-07
玻璃釉电容器的结构与特点
时间:2026-03-05
电容器入门教程
时间:2026-03-05
关于STM32WL LSE 添加反馈电阻后无法起振的...
时间:2026-03-05
暑期买元器件下单立减还送华为P30pro
时间:2026-03-05
电阻的标称阻值和允许偏差
时间:2026-03-05
使用过滤器电容器和诱导器来抑制受辐射的EM...
时间:2026-03-05
LED固晶机龙头直面“寒冬”
时间:2026-03-05
浅谈高压贴片电容分类与性能参数
时间:2026-03-05
聚四氟乙烯电容器的结构与特点
时间:2026-03-05
漆膜电容器的结构与特点
时间:2026-03-05