锂电池和超级电容器都是现代电子设备中常用的能量存储设备,它们各自具有独特的性能特点和应用场景。在耐用性方面,两者各有优势和局限性,以下将从多个角度对它们的耐用性进行比较分析。
锂电池,尤其是锂离子电池,因其高能量密度、长循环寿命和相对较低的自放电率而广泛应用于便携式电子设备、电动汽车和储能系统中。锂电池的耐用性主要体现在其循环寿命上,即电池可以进行多少次充放电循环而容量不下降到某一特定阈值以下。
一般而言,正规厂家生产的锂电池至少可以进行500次充放电循环,且容量保持在初始容量的80%以上。这意味着,如果每天进行一次充电,锂电池可以使用2年左右。然而,锂电池的寿命受到多种因素的影响,包括充放电速率、工作温度、充电状态和使用条件等。例如,快速充电可能会导致电池温度升高,从而影响其寿命。
超级电容器,又称为超级电容或电化学电容器,是一种能够快速存储和释放能量的设备。与传统电容器相比,超级电容器具有更高的能量密度;与锂电池相比,它们具有更高的功率密度和几乎无限的循环寿命。超级电容器的耐用性主要体现在其能够承受极长时间的充放电循环而不显著降低其性能。例如,南京大学团队研发的柔性超级电容器,在经过1000次拉伸或弯曲扭曲后,仍保持了大约90%的储能能力。这种高循环稳定性使得超级电容器特别适合于需要频繁进行充放电的应用场景,如电动汽车的再生制动系统。
锂电池的耐用性在很大程度上取决于其化学组成和制造工艺。锂电池的正极材料、电解液和隔膜的设计都会影响其循环寿命和安全性。例如,磷酸铁锂电池因其稳定的化学结构和较低的热失控风险而被认为是一种较为安全的电池选项。然而,锂电池在极端温度下的性能衰减和安全性问题仍然是其耐用性的主要挑战。
相比之下,超级电容器的耐用性主要得益于其独特的物理储能机制。超级电容器通过静电吸附来存储能量,这种机制不涉及复杂的化学反应,因此超级电容器不易受到温度变化和充放电速率的影响。此外,超级电容器的电极材料通常具有较高的机械强度和柔韧性,使其能够在极端条件下保持性能,如南京大学团队研发的柔性超级电容器所示。
总体而言,锂电池和超级电容器在耐用性方面各有优势。锂电池以其高能量密度和较长的循环寿命在能量存储领域占据重要地位,但其在极端条件下的性能和安全性问题仍需进一步优化。超级电容器则以其几乎无限的循环寿命和优异的机械性能在需要快速充放电和极端环境应用中展现出巨大的潜力。在选择能量存储设备时,需要根据具体的应用需求和工作条件来决定使用锂电池还是超级电容器。
随着材料科学和制造技术的进步,未来这两种能量存储设备的性能都将得到进一步提升,为各种应用提供更加可靠和高效的能源解决方案。
二极管、三极管在线快速测试器电路
时间:2026-03-07
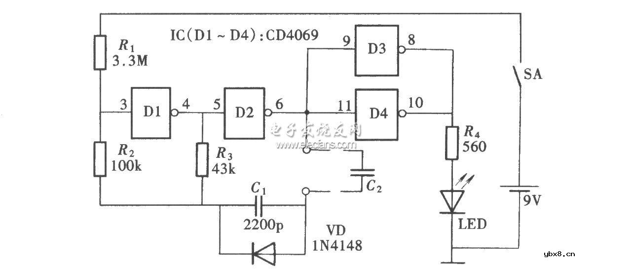
基于CD4069的电容鉴别仪电路
时间:2026-03-07
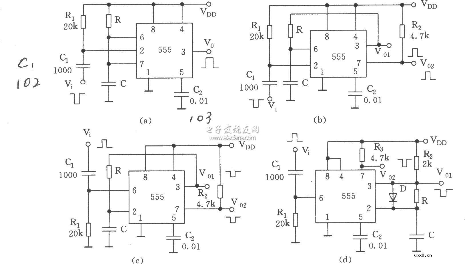
555构成的单稳态触发器的四种电路
时间:2026-03-07
IPM封装形式及电路原理
时间:2026-03-07
数字电位器SM2518电路
时间:2026-03-07
电话线供电LED灯电路图
时间:2026-03-07
助听器工作原理以及电路图
时间:2026-03-07
直接驱动电容性输入的A/D变换器电路
时间:2026-03-07
海豚XQS30-1洗衣机电路图
时间:2026-03-07
MD-898K金属探测器电路
时间:2026-03-07
玻璃釉电容器的结构与特点
时间:2026-03-05
电容器入门教程
时间:2026-03-05
关于STM32WL LSE 添加反馈电阻后无法起振的...
时间:2026-03-05
暑期买元器件下单立减还送华为P30pro
时间:2026-03-05
电阻的标称阻值和允许偏差
时间:2026-03-05
使用过滤器电容器和诱导器来抑制受辐射的EM...
时间:2026-03-05
LED固晶机龙头直面“寒冬”
时间:2026-03-05
浅谈高压贴片电容分类与性能参数
时间:2026-03-05
聚四氟乙烯电容器的结构与特点
时间:2026-03-05
漆膜电容器的结构与特点
时间:2026-03-05