本文介绍的几种晶体管收音机不需要用电池供电。它们利用广播电台发射到空中的高频信号,经过整流取得直流电能,作为收音机的电源。但是这种收音机只能接收本地近距离大功率电台的广播;另外也还必须使用室外天线和接上良好的地线;耳机要选用线圈阻抗不小于2千欧的。

图1的第一种电路是按下述方式工作的:L1、C2组成收音机的输入回路。在线圈L1的中间抽头和接地端取得高频电压,加到晶体三极管T1的基极与发射极之间进行检波;检波后得到的低频信号电压经晶体三极管放大。对于低频信号说来,晶体三极管是负载(耳机)接在集电极电路内的放大器。此外,整个输入回路两端的高频电压,经二极管Д1整流后得到直流电压,作为晶体三极管集电极电路的直流电源。因为被整流电压的频率很高,整流后的滤波只要用一只容量为0.1微法的电容器就行了。

图2所示第二种电路与前一种电路的区别在于:这里采用了C3、Д1、Д2、C4组成的倍压整流电路,用以提高直流供电电压,从而增大晶体管的放大作用,使声音响一些。
在图3的第三种电路中,高频电压直接加在基极和发射极之间进行整流,整流后在电阻R1上得到的直流电压,用作为集电极电路的电源。

三极管OC-813可以用П15、П401、П402等代替;晶体二极管0A625可以用任何型号的点接触型晶体二极管代替。
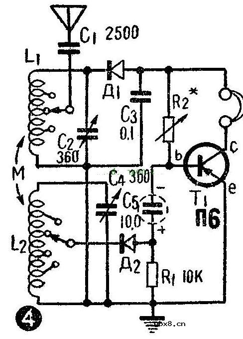
在前面几种电路中,是用晶体三极管兼作检波和放大的。下面再介绍另一种经过实验的类似的电路(图4),供大家试制时参考。

在图4电路中,单加了一只二极管专作检波。另外,用了两个输入回路,其中一个(L2C4)用以取得高频信号,另一个(L1C2)用以取得电源。两回路的线圈,各有若干抽头,以便选择最合适的位置。
各零件的数据及要求分别叙述如下。
天线——Г型天线,水平部分8米,垂直部分(指水平部分与屋面间的距离)约4米。用0.23毫米(相当于34号)。漆包线五股绞成。
接地装置——用18号镀锌铁丝焊在一块150×150毫米2的铜片上,埋入地下深1米处。
线圈L1,L2——把直径为65毫米的羽毛球纸筒,放在石蜡里煮过作线圈架。L1用0.45毫米(26号)漆包线在上面绕70匝、第20匝、35匝、50匝处抽头。L2也是用同号线绕相同的圈数,不过要在第15匝、20匝、25匝、30匝处抽头(匝数自接地端数起)。
C4,C2——采用一般的空气介质、容量范围为16~360微微法的单连可变电容器。在这里不用双连,因为要求调谐电路同步不易调整。
Д1,Д2,T1——晶体二极管采用国产Д1B型的。选用正向电阻500欧左右、反向电阻100千欧以上的较好。测试时将万用表量程放在(R×100)或(R×1K)档测量。晶体三极管T1采用国产П6型或2G100型的。
C1,C3,C5——C1、C3采用纸质电容器,耐压400伏。C5采用耐压3伏、10微法超小型电解电容器。
R1,R2——用1/2瓦薄膜电阻。R2约为100千欧,需根据所用具体晶体管选一个最合适的阻值。
耳机——线卷阻抗不小于2千欧。
本机木壳尺寸是210×140×140毫米3。底板放在离木壳底约30毫米左右的高度。底板上安放L1,L2,C2,C4。底板下在接线架上焊上其它零件。零件在接线架上排列方式,参看图5。

天线经C1的引线,先接在L1的第35匝处,Д2的引线接在L2的第20匝处,调节C4和C2,使收到某一电台。C4和C2转过的角度是相近的。L1和L2的位置,先使之靠近,然后慢慢移开,到耳机中没有夹台现象为止。改变Д2引线在L2上的抽头位置,使达到最大的响度。再改变L1抽头,使收听各电台的效果较接近。最后调节R2的数值。
无电源收音机的能量完全靠来自所收电台的高频电波,因此要求有良好的天、地线装置,同时要设法提高线圈的Q值,选用好的晶体二极管和三极管,才能得到较好的收音效果。
突破人形机器人控制器性能瓶颈:高效稳定的...
时间:2026-03-05
一文讲懂开关电源的阻尼振荡
时间:2026-03-05
使用过滤器电容器和诱导器来抑制受辐射的EM...
时间:2026-03-05
智能硬件遭遇销量困局 看社区O2O如何破解
时间:2026-03-05
物联网新时代,关于安全的5大错误认知
时间:2026-03-05
智能停车场一体化控制器方案简述
时间:2026-03-05
ZigBee应用于智能家居是否存在严重漏洞?
时间:2026-03-05
推动物联网发展,供电是基础设备的生命线
时间:2026-03-05
楼宇对讲走向标准化 四大发展方向明确
时间:2026-03-05
最帅“黑”科技:让普通手机可扫描3D
时间:2026-03-05
瞬间抑制二极管(TVS)/瞬间抑制二极管(TVS)是...
时间:2026-03-04
S/HS固态继电器原理简介
时间:2026-03-04
DB3双向触发二极管,DB3双向触发二极管原理是...
时间:2026-03-04
ZigBee在公交信息系统中的实现
时间:2026-03-05
传输设备PDH接口对接问题
时间:2026-03-05
什么是霍尔传感器
时间:2026-03-05
半导体材料的主要种类有哪些?
时间:2026-03-04
高级封装,高级封装是什么意思
时间:2026-03-04
什么是CSP封装
时间:2026-03-04
数字比较器,数字比较器是什么意思
时间:2026-03-04