本文提出并设计了一种可以实时检测呼出气体的酒精含量,且超出设定值时会声光报警的测试仪。本文详细介绍了设计所提出的背景和研究意义,对于所用到的各个器件做了对比介绍,以及各个硬件电路模块的工作原理,在软件程序方面,对于各个模块做了详细的流程框图,可以快速看出程序设计思路,最后列举了硬软件在设计调试所出现的一系列问题以及与之对应的解决办法。
方案一:选择STC89C52单片机作为主控制芯片。该单片机是8位微控制器,有8K的程序存储空间,有256个字节数据存储空间,3个16位定时器/计数器,4个外部中断,全双工串行口,具有高速、低功耗、具有超强抗干扰性的特点,其指令代码完全兼容8051,市场价格较为廉价,且具有灵活的编程方式。
方案二:选择MSP430单片机作为主控制芯片。该单片机的汇编语言使用起来较为灵活,有许多寻址方式,且具有强大的处理能力,电压低,功耗较低,片内集成资源丰富,且加密性强,有强抗干扰能力。但是由于工作电压低,接口电路麻烦,而且I/O口无保护,所以过压电流会击穿。其次不易上手,学习资料较少。
综合以上的描述,鉴于STC89C52较为常用,市场上价格相对较低,设计开发难度较小,查找学习资料便捷,且此单片机已可满足设计要求,因此选择STC89C52作为主控制芯片。
方案一:使用LCD1602液晶显示屏。该显示屏可以直接和STC89C52直接接口,可显示32个字符,因是字符型液晶,所以可以较为便捷地显示字母和数字,且控制简单,市场价格低廉,但是所显示的字体大小不可随意改动,对于曲线和图形等也无法显示。
方案二:使用LCD12864液晶显示屏。该液晶显示屏的各个显示点都与一个二进制数对应,因此可自行设计输出的图形和汉字,分辨率较高,功耗较低,且轻薄,由于显示信息量大,造成电路及程序的设计较为困难。
综合以上方案,本设计主要显示酒精含量、时间和日期,需要显示的内容较少,选用LCD1602为显示屏,已可满足设计要求,且该显示屏价格低廉,在网络上可查找资料较多,方便学习参考,设计难度相对较小。
方案一:采用ADC0832作为模数转换器件。该芯片是双通道的模数转换芯片,在0~5V的电压下可以正常工作,采用250KHZ的频率,采用双输出方式对数据进行严格的校对,可有效减少芯片的数据错误,并具有较好的稳定性。独立的允许输入模式使得多个设备的安装和控制过程更加方便。
方案二:采用ADC0808作为A/D转换器件。该芯片是ADC0809的简化版,功能大致相同,ADC0808是采样分辨率为8位的、以逐次逼近原理进行模/数转换的器件。
这两种设备的基本性能相似,因为本次设计只需一个通道,所以使用ADC0832芯片已可满足需求,可节省资源,且此芯片兼容性好,较为划算。
半导体型的酒精传感器MQ-3所处环境中含有酒精蒸气时,当乙醇气体浓度增大时,传感器的导电性能也随之提高,接着将检测到的酒精含量转化为电信号,可以得到关于周围环境中被测气体状态的信息。MQ-3对酒精较为敏感,以及有较强的抗干扰能力,对于油烟水汽有较强的抵抗性,且市场价格较低,适用于多种应用,最终方案选择MQ-3酒精传感器。
DS1302时钟芯片可提供时间等信息,在2V~5.5V之间可以正常工作,具备主电源后备电源双电源引脚,1脚为主电源接口,8脚作为后备电源接口,可搭配纽扣电池做后备电源,以极低的消耗可保持时钟运行很长时间,运行时间可达到几个月甚至几年,即使断电后再次上电使用设备也可做到时间同步标准时间。虽然单片机内部也有定时器,但它是对单片机工作节拍的技术的精确度较高,但不适合长时间定时。相比之下,选择DS1302做时钟芯片更能满足课题要求。
结合上面选择的解决方案,确定了总体系统框图,如图2-1所示。

图2-1 总体系统框图
最终将STC89C52单片机作为系统的主控芯片,人机交互通过独立按键和LCD1602液晶显示屏来实现,并可通过独立按键来设定醉酒阈值,调节时间显示,与标准时间同步。使用MQ-3酒精传感器来得到电信号,经过电路处理成模拟电压后输送给单片机,经ADC0832转换器件转化为数字电压。模拟信号由A/D转换模块输出,用于检测酒精的浓度,从而降低设备的使用。将所获得的数据与预先设置的醉酒阈值进行比较,超过设定值值时,LED亮,同时蜂鸣器发出报警声。整个电路包括:最小MCU,时钟,功能按键,LCD液晶四大部分。该供电模块由一个滤波电容,一个自锁开关,一个LED显示,可5V直流供电,供电给各模块;由LCD1602液晶显示屏和可调电阻器组成液晶显示模块。
3.1.1单片机STC89C52
STC89C52单片机完全兼容8051,该单片机共有四组I/O口,全部提供给用户(程序长度小于4K)分别是P0、P1、P2、P3。有6个中断源,3个16位的定时/计数器,片内振荡器和时钟电路在5.5V~3.8V之间可正常工作,11.0592MHz和12MHz是常用的时钟工作频率,安全性高,功耗低,运行速度快,性能卓越,且市场价格便宜,在多个领域都有应用。
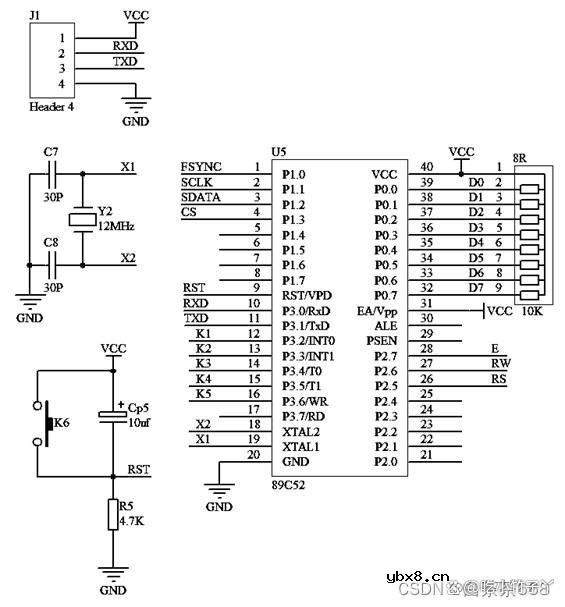
3.1.2单片机最小系统
单片机最小系统电路如图3-1所示

图3-1 单片机最小系统
该产品采用STC89C52微控制器,以单片机为控制核心,配合晶振、电源、复位电路,具有优异的性能、较低功耗、充分开放的系统资源、灵活的界面,使用者可以通过自己的方式构建电路,实现各种功能。在晶振电路中,通常可以选择1.2-12MHz,甚至24MHz,功率随着频率的增大而增大。此次采用了2个30pF陶瓷电容器,12MHz的晶振。
MCS-52单片机通常采用上电复位和按键复位这两种复位方式[1]。RST的上方为一电容,并接一高电平,下方为一个电阻,并接地。在通电的情况下,电容器的两端就会产生短路,RST管脚就会变成高电平,电源就会对电容充电,RST端的电压就会缓慢地降低,直到达到一定的水平,单片机才能正常工作。
本设计改用了USB接口5V供电,通过一双掷开关来控制电源的关断,可连接充电宝或者手机充电器等,方便携带使用,其电路如图3-2所示。

图3-2 电源接口电路
MQ-3是一种半导体酒精感应器,当被测环境中含有酒精气体时,该传感器的导电性会随着被测环境中的酒精气体的浓度而发生变化,接着通过特定的电路,便可将传感器的电导率转化为一定的气体浓度的信号,MQ-3酒精感应器对酒精的敏感度很高,能够抵抗汽油,烟雾,水蒸气等。传感器在充电时,输出电压会迅速升高,当达到一定的温度后便会缓慢的下降,因此在使用之前,要先对传感器进行预热1-2分钟,这样就可以保证传感器的正常工作。被测环境中的酒精浓度与传感器输出电压有着一定的关系,在无酒精气体的环境中,传感器的输出电压大约为1V,在有酒精气体的环境中,每提高20 PPM (2毫克/100毫升)的酒精浓度,传感器的电压提高0.1V,该模块内部电路图如图3-3所示。

图3-3 MQ-3酒精检测模块内部电路图
ADC0832是一款双通道的A/D转换芯片,该芯片的模拟输入电压范围为0-5V,基于有双输出的数据,可以进行数据的校验,从而降低了数据的错误,具有较高的转换速度和较好的稳定性。独立的晶片允许输入,使得多个装置的连接与处理单元的控制更为便利。利用DI的数据输入,可以较为方便地进行信道功能的选取。如果ADC0832不工作,则其CS输入为高电平,此时,可将此芯片关闭,CLK及 DO/DI可供选择。与单片机的接口应为CS、CLK、DO、DI四条数据线路.由于DO和DI在通信过程中不能同时进行,并且与单片机之间的接口也是双向的,所以在电路上,DO和DI并联为一条数据线。图3-4显示了特定的电路。

图3-4 ADC0832电路图
3.4 时钟电路设计
在DS1302时钟电路中,管脚1用作主电源接口,管脚8提供低功率和低功耗的情况下的备用电源接口,当主电源断电时,Vccl可保证其正常工作,保存资料,保持时钟的正常运转,做到时间同步。并外加频率为32.768Hz晶振,提高时钟的稳定性。图3-5为本设计的时钟电路。

图3-5 时钟电路
3.5 报警电路设计
经A/D转换后所得的数字信号若比所设的阈值大,单片机的P2.3口输出低电平,此口与报警电路相连,当其为低电时,三极管导通,蜂鸣器通电,发出蜂鸣声,若为高电平时,三极管无法导通,保持静默。蜂鸣器报警电路如图3-6所示。

图3-6 报警模块电路图
在按键上,一般采用独立的按键和矩阵的方式,各有利弊,而单独的按键电路则比较简单,编程也比较方便,一般用于一些简单的硬件电路。矩阵电路恰恰相反,编写程序不易,与独立按键相比更加节省IO口,多用于8个按键以上的硬件电路。本设计只需四个按键,因此该方案采用了独立按键电路,采用了多个单独的按键进行人机对话。通过按键操作,向系统发出操作指令,再与MCU进行串口通讯,显示在液晶显示屏上,按键的一端与单片机的输入/输出端口相连。
这个设计是因为在悬置状态下,单片机的I/O是置1,不按按键的话,I/O就等于悬空,按下按钮后,此端口的电压会降低,单片机可以根据输入/输出接口是否存在低电平来判定是否按下了按钮,当然,该按键使用的是金属开锁,会出现抖动,因此在程序中要加上一个延迟消除。此外,再按下按键时会产生抖动,所以在程序中要加一个延迟消除程序。三个按键的功能分别是:按键2按下后进入设置模式,可以选择需要调节的参数,可连续选择。在设置的模式下,按键2按下后,对应的参数加一,按键3按下后对应参数减一。功能按键电路如图3-7所示。

图3-7 功能按键电路
显示LCD1602总共有11个指令,通过MCU将其传输到LCD1602中,可以实现诸如屏幕清屏、切换、显示等功能。LCD1602本身就有一个字库,可以在显示的时候直接调用字库来显示,当然,如果字库里没有的字符也可以按照自己的要求写在CGROM里,比如5*8个字符,但是定制的字符数量是有限制的,所以要按照一定的顺序来设置,最多可以设置8个字符。在LCD的CGROM中写入定制的字符之后,可以任意调用,调用方法与普通的显示字符相同。通过读状态操作、写指令操作、读数据操作可以控制液晶显示器,其中写数据操作有固定的对应引脚电平。电路图如图3-8所示。

本课题的编写涉及到软体的编程,所以必须选用程式语言和软体的开发环境。在编程语言上,选择了C。C语言是一种面向过程、抽象的通用编程语言。可以说,这是一种具有两种语言特性的语言,同时也是一个优秀的程序设计工具,可以使用模块化的方法编写代码,方便调试,同时,C语言还具有很强的数据处理能力,可根据不同的指针,直接对硬件进行访问,从而实现对存储和硬件的访问。
KeilC51是一个可以兼容51系列单片机和C的软件开发平台,与C语言的编程十分契合,它的集成环境简单、方便,软件调试的功能强大,大大增加了程序的成功概率。而Proteus则是一个EDA的开发工具,可以通过计算机模拟单片机的电路来模拟实际的工作状况。通过对系统的模拟,可以对系统的整体功能进行检验。
程序开始运行后,LCD1602液晶显示器和定时器开始初始化,单片机开始读取EEPROM存储的限制数据,接着判断一分钟预热是否完成,保障传感器可以正常工作,预热完成后,程序要检测是否有按键按下,若按下便进行数据处理,并判断显示是否正常,若不正常则跳到显示界面,正常则继续下一步,单片机读取经A/D转换后的数字信号,并发送给液晶显示器,最终显示出酒精浓度。
突破人形机器人控制器性能瓶颈:高效稳定的...
时间:2026-03-05
一文讲懂开关电源的阻尼振荡
时间:2026-03-05
使用过滤器电容器和诱导器来抑制受辐射的EM...
时间:2026-03-05
智能硬件遭遇销量困局 看社区O2O如何破解
时间:2026-03-05
物联网新时代,关于安全的5大错误认知
时间:2026-03-05
智能停车场一体化控制器方案简述
时间:2026-03-05
ZigBee应用于智能家居是否存在严重漏洞?
时间:2026-03-05
推动物联网发展,供电是基础设备的生命线
时间:2026-03-05
楼宇对讲走向标准化 四大发展方向明确
时间:2026-03-05
最帅“黑”科技:让普通手机可扫描3D
时间:2026-03-05
关于STM32WL LSE 添加反馈电阻后无法起振的...
时间:2026-03-05
电阻的标称阻值和允许偏差
时间:2026-03-05
玻璃釉电容器的结构与特点
时间:2026-03-05
电解电容器的结构与特点
时间:2026-03-05
浅谈电解电容检测及选用
时间:2026-03-05
告诉你电容器那些鲜为人知的秘密
时间:2026-03-05
3PEAK高压零漂放大器契合精密应用
时间:2026-03-05
绝缘电阻表原理_绝缘电阻表的作用
时间:2026-03-05
绝缘电阻用什么来测量_绝缘电阻测量方法
时间:2026-03-05
压敏电阻坏了怎么替代
时间:2026-03-05