Y电容
Y电容是安规电容的一种,安规电容是指用于这样的场合:即电容器失效后,不会导致电击也不会不危及人身安全。也就是因为这样安规电容与其他普通的电容有着不一样的地方,普通的电容在电源断开之后很长一段时间还会保留一定残留电压,一旦手触碰到就会发生电击,而安规电容却不会。
Y电容大多数为蓝色,但是也有黄色的,由于是安全电容,因此Y电容上面一般都会标有相关的认证,例如CQC、VDE、UL等认证,如图1。

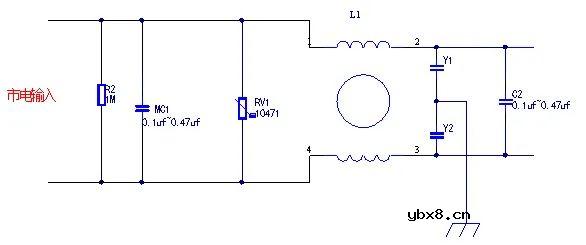
Y电容通常接于零线与地或者火线与地之间,如图2是I级EMI滤波电路,Y1和Y2是Y电容,通常两个串联一起。
根据耐高压分为Y1、Y2、Y4三个等级,其中:
Y1电容耐高压值>8 kV;
5 kV<Y2电容耐高压值<小于8 kV;
2.5 kV<Y4电容耐高压值<小于5 kV。

漏电流
对于开关电源,Y电容通常接于一次侧(初级)与二次侧(次级)之间,如图3,Y电容器可为一次侧耦合到二次侧的干扰电流提供回流路径。

那么,Y电容容量为什么不能太大呢?
我们知道Y电容对于EMC有很大的帮助,由于是共模电容,因此需要接地,那么就会有一个漏电流,还是以上面的EMI滤波电路为例:
Y电容漏电流 I=2πfCU
其中:
f 是市电频率,即50Hz;
C为Y电容总容量4700pF+4700pF=9400pF;
U对地端电压,这里取110V即可。
则可以计算得出漏电流有0.32mA之多。
并且会发现漏电流与容量成正比关系,也就是说容量越大漏电流也就越大。对于220V/50Hz交流电网供电的用电器,很多国家都规定漏电流不得大于1mA;对于手持式以及移动设备等其他用电产品对漏电流也有不同的要求。因此如果电源产品需要接Y电容,容量一般都不是很大,有时候甚至去掉Y电容,因此我们经常看到的Y电容容量基本上都是不大于0.1uF。

审核编辑 :李倩
全面详解保护接地、接零、漏保
时间:2026-03-05
10kV配电室核心设备功能、作用与重要性
时间:2026-03-05
一文详解变压器结构、试验
时间:2026-03-05
数据中心市电引入过程及常见方式
时间:2026-03-05
10KV开关柜控制和保护动作原理图
时间:2026-03-05
电气二次设计:继电保护及安全自动装置
时间:2026-03-05
电线电缆的结构、分类、工艺流程
时间:2026-03-05
高低压配电系统组成和作用 移动基站直流系统...
时间:2026-03-05
浅谈变配电所的直流系统组成及操作电源分类
时间:2026-03-05
浅谈船舶交流电网在线绝缘监测装置研究
时间:2026-03-05
玻璃釉电容器的结构与特点
时间:2026-03-05
表贴电容的分类
时间:2026-03-05
关于STM32WL LSE 添加反馈电阻后无法起振的...
时间:2026-03-05
RI-80F型高压高阻玻璃釉膜电阻分压器
时间:2026-03-05
电阻的标称阻值和允许偏差
时间:2026-03-05
电容屏也有区别?自电容屏和互电容屏有什么...
时间:2026-03-05
一文读懂,电容器的工作旅程
时间:2026-03-05
如何绕制电感与选择磁芯减小寄生电容
时间:2026-03-05
浅谈高压贴片电容分类与性能参数
时间:2026-03-05
聚四氟乙烯电容器的结构与特点
时间:2026-03-05